特性
- 低成本单层PCB
- 交流输入电压从90Vrms 到264Vrms
- 稳压12VDC 典型输出
- 满载功率为168W,或满载电流为14A
- 经过优化的低功耗特性可实现极低待机功耗
- 高效率
- 先进的突发模式,具有突发软导通和软关断功能,可最大限度地降低可闻噪声
- X电容放电
- 测试点便于设备与原型评估
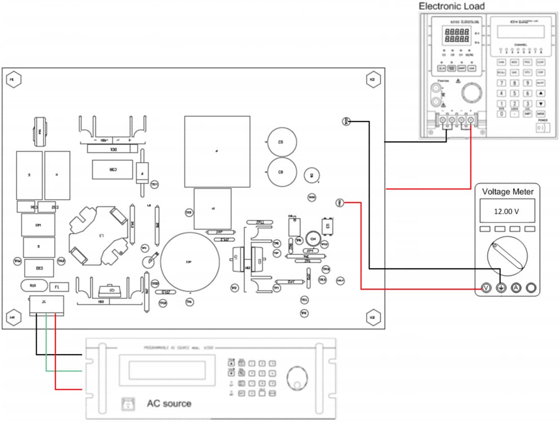
必要设备
- 交流电压源
- 可单相输出交流电压为85至265VAC,47至63Hz,可调节,具有100W最小额定功率和限流功能
- 使用的交流电压源应符合IEC 60950增强型绝缘要求
- 直流数字万用表
- 一个单元能够在0VDC至450VDC输入范围内工作,最好四位数显示
- 一个单元能够在0VDC至20VDC输入范围内工作,最好四位数显示
- 输出负载
- 直流负载能够接收0VDC至20VDC、0A至14A和0W至300W或更大电流,能够显示负载电流和负载功率等信息
- 示波器
- 能够实现500MHz全带宽、数字或模拟(若是数字,5GSPS或更好)
- 风扇
- 建议使用200LFM至400LFM强制风冷,但非强制使用
- 建议的线规
- 能够提供25A电流,或优于#14 AWG电流,电线总长度小于8英尺(4英尺输入和4英尺回路)
应用
- 工业交流/直流适配器
- 电动工具
- 医用电源
- 多功能打印机
- 企业和电影院投影仪
- PC电源
- 游戏机电源
测试设置
发布日期: 2020-08-24
| 更新日期: 2024-08-16

