Texas Instruments UCC28750EVM 驱动评估模块

Texas Instruments UCC28750EVM评估模块设计用于评估离线电源AC至DC反激转换器。此评估模块使用UCC287502恒压反激控制器,在60W转换器中使用光耦合反馈来提供2.5A恒定充电电流。UCC28750EVM评估模块具有85VRMS 至265VRMS 的输入电压范围,并将其转换为24VDC,能够提供60W的输出功率。 UCC28750EVM-071用于评估目的,而非最终产品。该模块用于隔离离线AC/DC电源、电池充电器、电网基础设施的工业AC/DC、电视、打印机、电表、家用电器和微型逆变器。

特性

  • 设计用于评估UCC28750电流模式反激控制器
  • 稳压24VDC ±5%
  • 能够提供60W输出
  • 宽输入电压范围:85VRMS 至265VRMS
  • 最大负载效率>90%

应用

  • 隔离式离线AC/DC电源
  • 用于电网基础设施和电器的工业AC/DC
  • 音频、打印机、电视和机顶盒离线AC/DC
  • 商用DIN导轨电源和服务器PSU
  • 电池充电器
  • 电表
  • 组列逆变器和微型逆变器
  • 小家电和空调室内/室外机

测试设置图

框图 - Texas Instruments UCC28750EVM 驱动评估模块

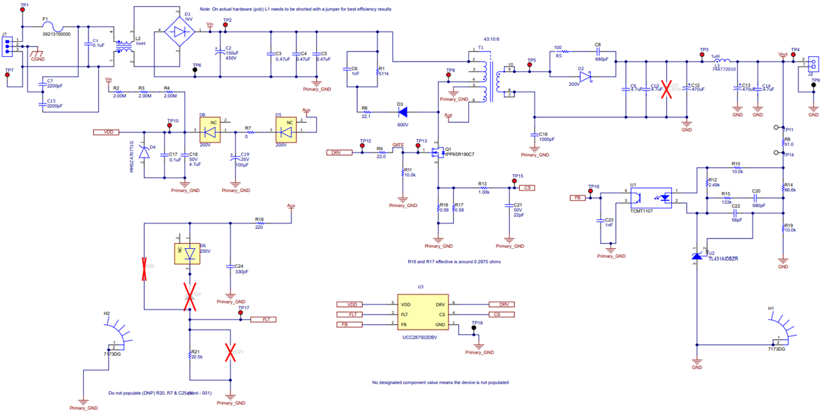
原理图

原理图 - Texas Instruments UCC28750EVM 驱动评估模块
发布日期: 2024-01-12 | 更新日期: 2024-02-15