TI ULN2003ADYYEVM可作为独立电路板使用,并附带一个电压源和输出负载。该独立评估板可在将ULN2003ADYY应用于更复杂的电源系统之前,先行进行功能测试与性能评估。ULN2003ADYYEVM配备了ULN2003ADYY SOT(DYY版本)。
特性
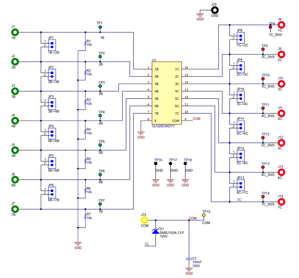
- 每个控制输入端都有下拉电阻,以确保INx信号不浮动
- 跳线可将通道并联,以获得更高的电流能力
- 从OUT7到COM之间还连接了一个附加二极管,用于抑制当OUT7上的NPN驱动器关闭时感性负载产生的反向电压。
应用
- 继电器驱动器
- 步进和直流有刷电机驱动器
- 灯驱动器
- 显示器驱动器(LED和气体放电)
- 线路驱动器
- 逻辑缓冲器
原理图
发布日期: 2025-02-22
| 更新日期: 2025-03-06

