ISL81801EVAL1Z评估板
ISL81801EVAL1Z评估板的工作输入电压范围为9V至80V,开关频率为200kHz,输出电压为12V,输出电流为10A。该评估板在环境室温下具有至少11A过流保护 (OCP) 设定点。
ISL81801EVAL2Z评估板
ISL81801EVAL2Z评估板的工作输入电压范围为32V至80V,提供48V输出电压和5A输出电流。该评估板在环境室温下具有至少5.5A过流保护 (OCP) 设定点。
特性
- 电源良好指示器
- 过压保护 (OVP)
- 一次性可编程存储器 (OTP)
- 欠压保护 (UVP)
- 可选的CC/断续OCP保护
- 可编程频率范围:100kHz至600kHz
规范
- ISL81801EVAL1Z评估板:
- 输入电压范围:9V至80V
- 200kHz开关频率
- 输出电压:12V
- 输出电流:10A
- 环境室温下11A OCP设定点
- ISL81801EVAL2Z评估板:
- 输入电压范围:32V至80V
- 200kHz开关频率
- 输出电压:48V
- 输出电流:5A
- 环境室温下5.5A OCP设定点
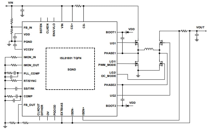
框图
View Results ( 2 ) Page
| 物料编号 | 数据表 | 输入电压 | 输出电压 | 输出电流 |
|---|---|---|---|---|
| ISL81801EVAL1Z | ![]() |
9 V to 80 V | 12 V | 10 A |
| ISL81801EVAL2Z | ![]() |
32 V to 80 V | 48 V | 5 A |
发布日期: 2020-12-16
| 更新日期: 2022-03-11


