ROHM Semiconductor RB-D62Q2035TD20参考板
ROHM Semiconductor RB-D62Q2035TD20参考板配备了LAPIS ML62Q2035 16位微控制器,为开发和评估提供了一个可靠的平台。这款微控制器设计功耗低、性能高,是许多嵌入式应用的理想之选。该参考板集成的基本外设包括ADC、UART、SPI、I2C和GPIO,可灵活满足各种接口需求。电路板的紧凑设计和调试功能简化了原型设计和开发过程。同时,它支持高能效运行,非常适合电池供电和物联网(IoT)设备。RB-D62Q2035TD20板具有全面的文档和软件资源,是从事消费电子、工业自动化、智能家居解决方案等工作的工程师和开发人员的绝佳选择。RB-D62Q2035TD20可用于学习如何使用ML62Q2035 MCU,必要时用户需要提供额外的外部元件。通过将RB-D62Q2035TD20与EASE1000 V2片上仿真器和软件开发环境结合使用,用户可以开发软件并对闪存进行调试/编程。此外,将外部电源连接到RB-D62Q2035TD20基准板,就可以在不连接EASE1000 V2的情况下独立使用。
特性
- 配备LAPIS ML62Q2035 16位微控制器,20引脚TSSOP
- 安装了有用于连接 EASE1000 V2 的连接器
- 用于连接LSI引脚和外部外围电路板的通孔
- 可选电源,随片上仿真器EASE1000 V2或CN1_6pin提供
- 安装有用于发电的充电泵
- 安装的led(P05)
- 提供带有逐次逼近型A/D转换器组件的脚踏模式(P14、P15、P16、P17)
- 低功耗
- 集成ADC、UART、SPI、I2C和GPIO
- 调试和编程接口
- 灵活的电源选择
- 4.5V至5.5V的电源电压范围
- 56mmx94mmx15mm(宽x深x高)尺寸
应用
- 工业自动化
- IoT设备
- 消费类电子产品
- 电池供电设备
- 智能家居应用
- 测量和传感
- 教育和发展项目
概述
电源电路
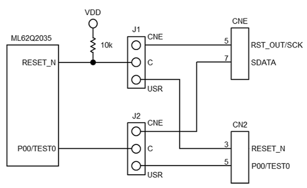
EASE1000 V2接口
PCB布局
发布日期: 2025-01-10
| 更新日期: 2025-08-19
