ROHM Semiconductor RB-D62Q2045GD24参考板
ROHM Semiconductor RB-D62Q2045GD24参考板是一个高度通用的开发平台,采用LAPIS ML62Q2045 16位微控制器。这款参考板专为实现强大的性能和灵活性而设计,为从事嵌入式系统工作的工程师和开发人员提供了理想的解决方案。ML62Q2045微控制器集低功耗和高功能于一身,非常适合工业自动化、消费电子和物联网(IoT)设备的应用。ROHM Semiconductor RB-D62Q2045GD24配备了基本外设、调试接口和可配置功能,可实现无缝原型开发和设计评估。其用户友好的布局和全面的文档可进一步提高开发效率,确保顺利集成到各种项目中。RB-D62Q2045GD24可用于学习如何使用ML62Q2045 MCU,必要时用户需要提供额外的外部元件。通过将RB-D62Q2045GD24与EASE1000 V2片上仿真器和软件开发环境结合使用,用户可以开发软件并对闪存进行调试/编程。此外,将外部电源连接到RB-D62Q2045GD24基准板,就可以在不连接EASE1000 V2的情况下独立使用。
特性
- 配备LAPIS ML62Q2045 16位微控制器,24引脚WQFN
- 安装有用于连接 EASE1000 V2 的连接器
- 用于连接LSI引脚和外部外围电路板的通孔
- 可选电源,随片上仿真器EASE1000 V2或CN1_6pin提供
- 安装有用于发电的充电泵
- 安装的led(P05)
- 带有用于逐次逼近型A/D转换器组件的脚踏模式(P14、P15、P16、P17)。
- 集成外设
- 调试和编程接口
- UART、SPI和I2C通信接口
- 4.5V至5.5V的电源电压范围
- 56mmx94mmx15mm(宽x深x高)尺寸
应用
- 家庭和楼宇自动化
- 工业控制和监视
- IoT设备
- 可穿戴设备
- 消费类电子产品
- 汽车
- 医疗设备
- 能量管理
概述
电源电路
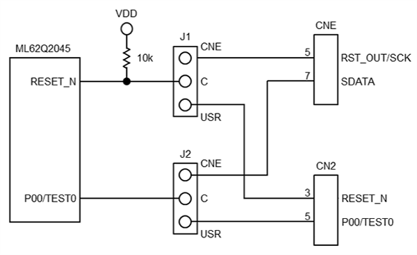
EASE1000 V2接口
PCB布局
发布日期: 2025-01-10
| 更新日期: 2025-08-19
