Texas Instruments TPS92662A-Q1 LED矩阵管理器

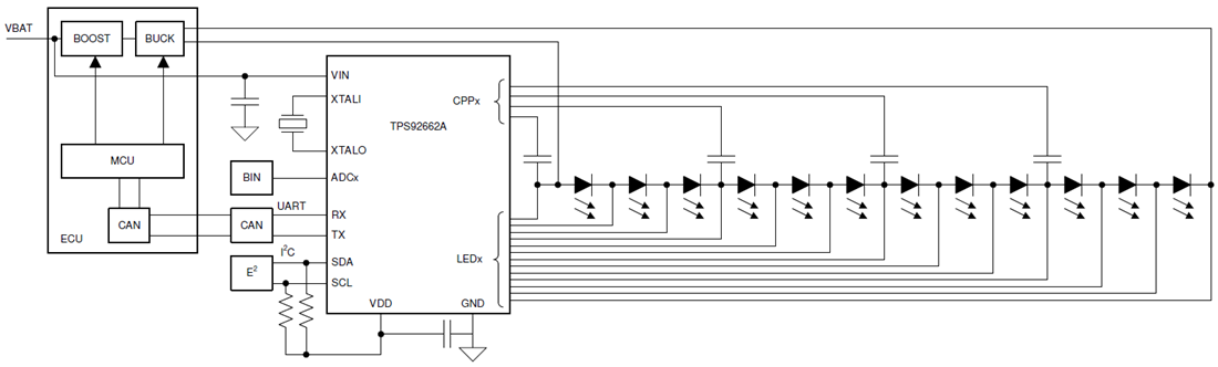
Texas Instruments TPS92662A-Q1 LED矩阵管理器通过提供单独的像素级LED控制实现全动态自适应照明解决方案。该器件包括四个子灯串,由三个串联的集成开关组成,用于绕过单个LED。各个子灯串允许器件接受单个或多个电流源。TPS92662A-Q1具有一个可编程的皮尔斯晶体振荡器驱动器。根据制造商对石英晶体或陶瓷谐振器的建议选择驱动器强度,实现最佳性能。该器件还包括驱动强度可选的时钟缓冲器。通过改变时钟缓冲器的驱动强度,可控制时钟信号的上升和下降时间以及EMI。必要时可禁用时钟缓冲器,以消除时钟信号产生的噪声并最大程度降低EMI。

TPS92662A-Q1支持多点通用异步接收发送器 (UART)串行接口,并与TPS92662-Q1和TPS92663-Q1器件兼容。I2C通信接口于从存储系统校准数据的外部 EEPROM读取数据或向其中写入数据。具有两个多路复用输入的板载8位ADC可用于系统温度补偿,并用于测量分级值,从而实现LED分级和编码。内部电荷泵轨为LED旁路开关提供栅极驱动电压。旁路开关的低导通电阻(RDS(on))可最大程度地减少了传导损耗和功率耗散。TPS92662A-Q1和TPS92662-Q1二者具有相同的寄存器设置,可用于编程相移和灯串中每个LED的相移和脉冲宽度以及报告LED开路和短路故障。Texas Instruments TPS92662A-Q1器件通过了汽车应用类AEC-Q100认证。

特性

  • 符合汽车应用类AEC-Q100标准
    • 1级(-40°C至125°C环境工作温度)
    • 器件人体模型 (HBM) 分类等级H1C
    • 器件CDM分类级别C5
  • 输入电压范围:4.5 V至60 V
  • 12个集成旁路开关
  • 多点分支UART通信接口
    • 兼容TPS92662-Q1和TPS92663-Q1器件
    • 兼容CAN物理层
  • 8位ADC,带两个复用输入
  • 可编程晶体振荡器驱动器和时钟缓冲器强度
    • 提高的辐射和传导EMI性能
  • 外部EEPROMI2C接口
  • 可编程10位PWM调光
  • LED开路和短路检测和保护
  • 通过时分多路复用支持12个以上LED灯串的多LMM同步

应用

  • 汽车大灯系统
  • ADB或无眩光远光灯
  • 顺序转向灯/动画日间行车灯

简化应用

应用电路图 - Texas Instruments TPS92662A-Q1 LED矩阵管理器
发布日期: 2020-03-20 | 更新日期: 2025-03-10