TPS92665具有内部振荡器。内部振荡器可通过内部低噪声LVDS发射器和接收器模块与其他系统器件共享。多点分支通用异步收发器 (UART) 串行接口兼容TPS92664、TPS92667、TPS92662x和TPS92663x器件。板载ADC,具有多路复用输入,可对所有LED通道、IC裸片温度进行采样。该ADC还对专用ADC输入进行采样,用于系统温度补偿、LED分档和编码。
Texas Instruments TPS92665包含寄存器,用于对灯串中每个LED的相移和脉冲宽度进行编程,以及用于报告LED开路、短路故障和功能参数。
特性
- 符合汽车应用类AEC-Q100标准
- 1级(–40°C至125°C环境工作温度范围)
- 器件HBM分类等级H1C
- 器件CDM分类等级C5
- 支持功能安全
- 来辅助功能安全系统设计的文档
- 16个集成旁路开关
- 可编程10位PWM调光
- 可编程转换率控制
- LED开路检测和保护
- 单个LED短路检测
- UART串行通信
- 系统时钟内部振荡器
- 同步器件LVDS时钟驱动器
- 兼容上一代LMM
- 兼容CAN收发器
- 集成ADC
- 每个开关的LED电压
- 裸片温度
- 2个通用ADC输入(兼容热敏电阻)
应用
- 汽车大灯系统
- ADB或无眩光远光灯
- 顺序转向灯、动画日间行车灯
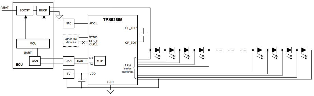
简化应用
发布日期: 2022-10-28
| 更新日期: 2025-03-05

