特性
- 符合汽车应用类AEC-Q100标准
- 1级(–40°C至125°C环境工作温度范围)
- 器件HBM分类等级H1C
- 器件CDM分类等级C5
- 16个集成旁路开关
- 可编程10位PWM调光
- 可编程转换率控制
- LED开路检测和保护
- UART串行通信
- 用于外部系统时钟的LVDS时钟接收器
- 兼容上一代LMM
- 兼容CAN收发器
- 支持功能安全
- 来辅助功能安全系统设计的文档
应用
- 汽车大灯系统
- ADB或无眩光远光灯
- 顺序转向灯、动画日间行车灯
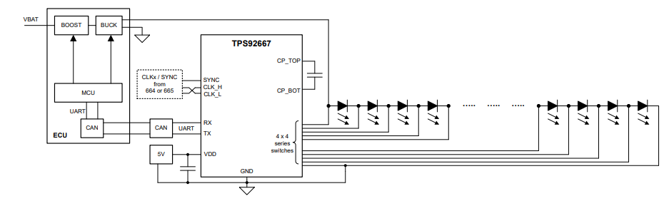
简化应用
发布日期: 2023-01-21
| 更新日期: 2025-03-06

