Texas Instruments LMR60420/LMR60420-Q1同步降压式转换器
Texas Instruments LMR60420/LMR60420-Q1同步降压式转换器是一款高效的3V至36V、超低IQ 转换器,可实现高功率密度和低电磁干扰(EMI)。该转换器输出电压范围为1V至20V,在输出电压节点、反馈端与地之间集成有电阻器分压器。LMR60420/LMR60420-Q1转换器配备电源良好输出信号用于电源时序控制,并提供MODE/SYNC引脚以选择不同运行模式。该器件采用电流模式控制架构,具备30ns最小导通时间,可在高开关频率下实现高转换比,同时支持简化环路补偿、快速瞬态响应,以及优异的负载和线路调整率。LMR60420/LMR60420-Q1提供带扩频功能的版本,采用超小型2.5mm×2mm HotRod QFN-9封装。典型应用包括工厂自动化与控制、家用电器以及楼宇自动化。LMR60420/LMR60420-Q1转换器静态电流仅为5µA,可确保在所有负载下均具备高效率。强制脉宽调制(FPWM)模式可在整个负载范围内保持恒定开关频率,而自动模式则支持在PWM与PFM开关方式之间无缝切换。LMR60420/LMR60420-Q1器件的电气特性规格均在高达150°C的结温条件下标定。LMR60420-Q1器件符合AEC-Q100认证要求,适用于汽车应用。
特性
- 支持功能安全
- 可提供文档,协助功能安全系统设计
- 宽工作输入电压范围:3V至36V(绝对最大值为42V)
- 引脚可编程输出电压选项:固定3.3V/可调、5V/可调
- 可调输出电压范围:1 V至20 V
- 极低tON :30ns(典型值)
- 针对低电磁干扰(EMI)要求进行了优化
- 低电感HotRod™ QFN封装
- 提供先进的扩频选项
- 可编程开关频率范围:200kHz至2.2MHz
- 支持强制脉宽调制(FPWM)、脉冲频率调制(PFM)或外部频率同步
- 超低静态电流
- 关断电流:0.65 μA
- 待机电流:5μA
- 用于电源排序的电源良好输出
应用
- 工厂自动化和控制
- 楼宇自动化
简化原理图 – 固定输出
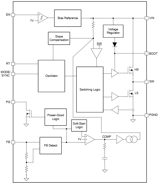
功能框图
发布日期: 2025-01-23
| 更新日期: 2025-09-03
