Texas Instruments LMR60440同步降压式转换器
Texas Instruments LMR60440同步降压式转换器是一款高效的3V至36V、4A、超低IQ 转换器,可实现大功率密度和低EMI。该器件的输出电压范围为1V至20V,包括输出电压节点、反馈和接地之间的电阻分压器。LMR60440转换器具有用于电源排序的电源良好输出和用于在工作模式之间进行选择的MODE/SYNC引脚。电流模式控制架构的导通时间最短为30n,可在高频率下实现高转换率、轻松实现环路补偿、快速瞬时响应以及出色的负载和线路调节能力。LMR60440提供扩频型号,采用超紧凑型2.5mm x 2mm HotRod QFN-9封装。典型应用包括工厂自动化和控制、电器和楼宇自动化。LMR60440转换器消耗5µA静态电流,以确保在所有负载下保持高效率。强制脉宽调制 (FPWM) 模式可在整个负载范围内产生恒定的切换频率,而自动模式则可实现PWM和PFM开关之间的无缝转换。LMR60440器件的电气特性指定最高结温为150°C。
特性
- 支持“功能安全”:
- 可提供文档,协助功能安全系统设计
- 宽工作输入电压范围:3V至36V(绝对最大值42V)
- 超低静态电流:
- 0.65 μA关断电流
- 空载待机电流:5μA
- 固定3.3V/ADJ和固定5V/ADJ两个版本提供有可引脚编程的输出电压选项:
- 可调输出电压范围:1 V至20 V
- 针对低电磁干扰 (EMI) 要求进行了优化:
- 低电感HotRod™ QFN封装
- 扩频选项可用
- 极低tON :仅30ns(典型值)
- 可编程切换频率:200kHz至2.2MHz
- 可提供FPWM、PFM或外部频率同步功能
- 设计用于可扩展电源
- 与LMR60406、LMR60410、LMR60420和LMR60430引脚兼容
- 电源良好输出,用于电源排序
应用
- 工厂自动化和控制
- 楼宇自动化
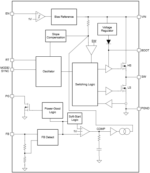
功能框图
发布日期: 2025-01-23
| 更新日期: 2025-10-09
