TI UCC14131-Q1可从12V稳压输入端输出隔离式12V输出,用于驱动GaN和Si MOSFET;还可从15V稳压输入端输出隔离式15V或18V输出,为SiC MOSFET或IGBT驱动电路提供偏置。UCC14131-Q1模块精度高,通道增强效果更好,系统效率更高,同时不会对功率器件栅极造成过大压力。
特性
- 带隔离变压器的完全集成高密度隔离DC/DC模块
- 隔离式直流/直流,用于驱动:IGBT、 GaN、SiC和Si MOSFET
- 输入电压范围:10V至18V,绝对最大值为32V
- TA ≤105°C时输出功率:1.5W
- 10V <VVIN<18V以及 TA=105°C时输出功率:1.0W
- 可调单路或双路输出电压(使用电阻器),在整个工作范围内的调节精度为<±1.3
- 采用扩频调制和集成变压器设计,电磁辐射低
- 使能、电源良好、UVLO、OVLO、软启动、短路、功率限制、欠压、过压和过热保护
- CMTI >150kV/µs
- 符合汽车应用类AEC-Q100标准
- 温度等级1:-40°C≤TJ ≤150°C
- 温度等级1:-40°C≤TA≤125°C
- 可提供功能安全文档来辅助功能安全系统的设计
- 计划中的安全相关认证
- 7071VPK增强隔离,符合DIN EN IEC 60747-17 (VDE 0884-17) 标准
- 5000VRMS 隔离1分钟,符合UL1577标准
- 增强绝缘,符合CQC GB4943.1标准
- 36引脚宽SSOP封装
应用
- 混合动力、电动和动力传动系统 (EV/HEV)
- 逆变器和电机控制
- 车载 (OBC) 和无线充电器
- 汽车直流/直流转换器
- 电机驱动器
- 工业运输
- 电网基础设施
- 电动汽车充电站电源模块
- 直流充电(桩)站
- 组列逆变器
- 商家服务器PSU
设备比较表
简化应用
典型开机顺序
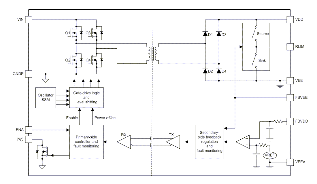
功能框图
发布日期: 2024-03-11
| 更新日期: 2025-05-22

