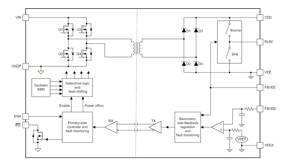
TI UCC15241-Q1以高效率提供高达2.5W(典型值)的隔离输出功率,只需最少的外部元件,并包括具有额外功能的片上器件保护。UCC15241-Q1器件的这些功能包括输入欠压锁定、输出电压电源良好比较器、过压锁定、过热关断、软启动定时、可调隔离正负输出电压、开漏输出电源良好引脚和使能引脚。
特性
- 带隔离变压器的完全集成高密度隔离DC/DC模块
- 用于驱动IGBT、SiC和Si MOSFET的隔离式DC/DC
- 输入电压范围为21V至27V,绝对最大值为32V
- TA≤85°C时,输出功率为 2.5W;TA≤105°C时,输出功率为2.0W
- 可调单路或双路输出电压(使用电阻器),在整个工作范围内调节精度<±1.3%
- 采用扩频调制和集成变压器设计,电磁辐射低
- 使能、电源良好、UVLO、OVLO、软启动、短路、功率限制、欠压、过压和过热保护
- CMTI >150kV/µs
- 符合AEC-Q100汽车应用标准
- 温度等级1:-40°C≤TJ ≤150°C
- 温度等级1:-40°C≤TA≤125°C
- 可提供功能安全文档来辅助功能安全系统的设计
- 计划中的安全相关认证
- 7071VPK加强隔离,符合DIN EN IEC 60747-17 (VDE 0884-17) 标准
- 根据UL1577标准,长达1分钟的5000VRMS 隔离
- 36引脚,宽SSOP封装
应用
- 混合动力、电动和动力总成系统(EV/HEV)
- 逆变器和电机控制
- 车载充电器 (OBC) 和无线充电器
- DC/DC转换器
- 工业运输
- 非公路车辆的电力驱动
- 电网基础设施
- 电动汽车充电站电源模块
- 直流充电(桩)站
- 组列逆变器
- 电机驱动器
- AC变频器和VF驱动器、机器人伺服驱动器
设备比较表
简化应用
典型开机顺序
功能框图
发布日期: 2024-03-11
| 更新日期: 2025-03-06

