特性
- 前Riedon产品
- 基座安装分流器(无基板可用)
- 中心安装电压抽头
- Manganin电阻元件
- 设计紧凑,用于空间受限的应用
- 50mV、100mV或自定义输出
- 大额定电流
- 低电阻值
- 额定温度稳定
- 符合RoHS标准
应用
- 太阳能发电机
- 风力发电
- 重工业
- 电镀
- 电池充电器
- 采矿
规范
- 5 A至1200 A额定电流范围
- 工作电流范围:3.33 A至800 A
- 额定输出:50mV或100mV
- 介电强度额定值:750VDC
- 50mV输出时的电阻范围:0.04mΩ至10mΩ
- 100mV输出时的电阻范围:0.08mΩ至20mΩ
- TCR:15ppm至20ppm
- 工作温度范围:-40°C至60°C
- 储存温度范围:-55°C至+80°C
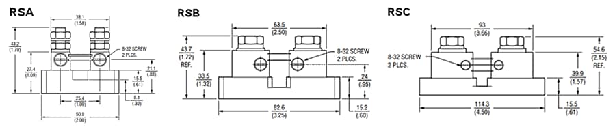
尺寸 (mm)
发布日期: 2024-08-26
| 更新日期: 2026-01-15

