特性
- 前Riedon产品
- Manganin电阻元件
- 无感金属元件
- 中心安装电压抽头
- 大额定电流
- 低电阻值
- 0.25%容差
- 设计紧凑,用于空间受限的应用
- 通过UL认证,符合RoHS指令
应用
- 频率转换器
- 电流检测
规范
- 300 A至1200 A额定电流范围
- 工作电流范围:200 A至800 A
- 额定输出:50mV或100mV
- 50mV输出时的电阻范围:0.042mΩ至0.167mΩ
- 100mV输出时的电阻范围:0.083mΩ至0.333mΩ
- TCR:15ppm至20ppm
- 工作温度范围:-40 °C至+70 °C
- 储存温度范围:-55°C至+80°C
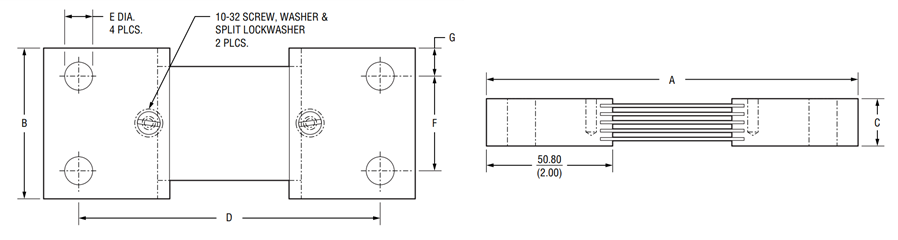
机械图
发布日期: 2024-08-26
| 更新日期: 2024-08-26

